1. TOP
  2. LD/LED
  3. 700 nm - 1399 nm

型番: メーカー:QD Laser 商品コード:L001242

1030nm Laser Diode, 50mW DFB

波長: 1030nm-1030nm
出力: 50mW-50mW
パッケージ: TO-can
テクノロジー: DFB Laser

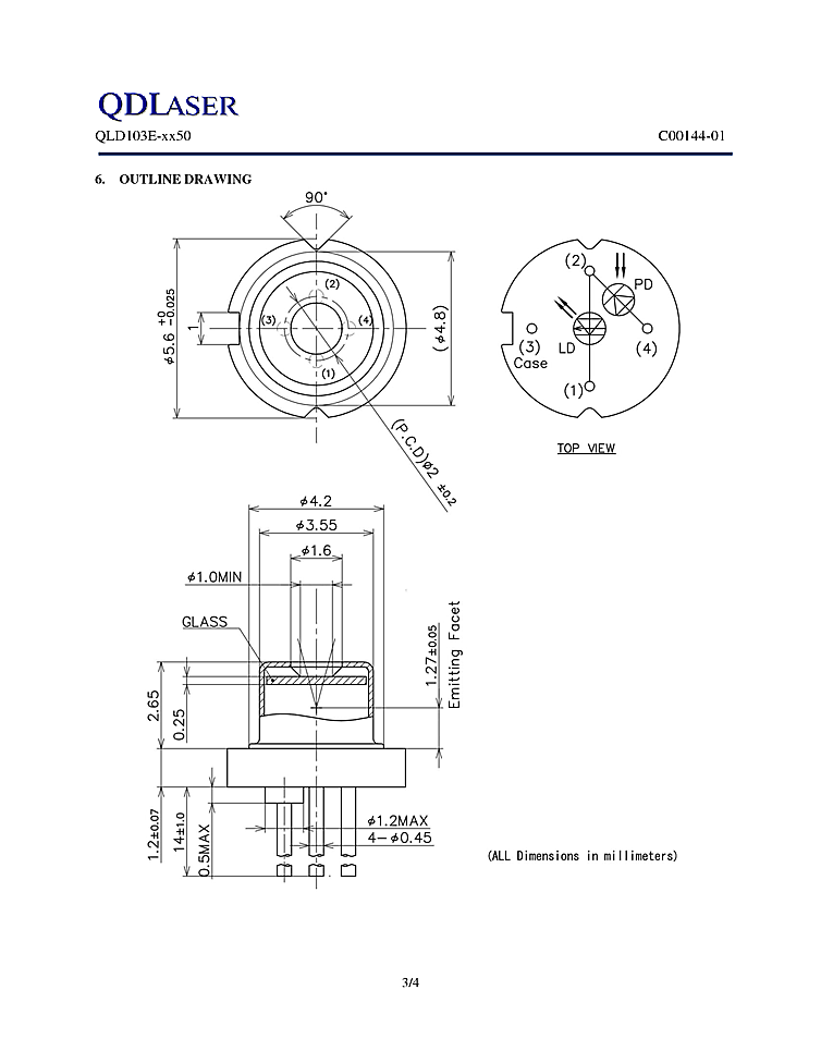
1030nm The QLD103E-xx50 is a 1030 / 1064-nm distributed feedback (DFB) laser suitable for various applications, such as seeder, measurement, sensing, frequency doubling and etc. The laser is mounted into a TO-56 header including a monitor PD for optical power control and hermetic sealed with a flat type cap.

FEATURES:
- Single longitudinal mode operation at 1030nm and 1064nm
- CW and shot pulse operation
- 5.6mm TO-CAN package
- Monitor PD included

APPLICATIONS:
-Seeder
- Measurement
- Sensing
- Frequency doubling
- Short pulse generation

価格 地域 代理店
要問い合わせ 京都府 株式会社光響

この商品を見ている人はこんな商品も見ています