1. TOP
  2. レーザー周辺機器
  3. 温度/TECコントローラ

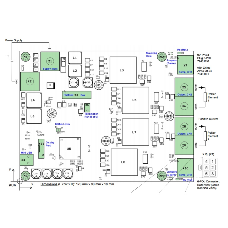
型番:TEC-1123 メーカー: 商品コード:L002919

480W Dual Output, Laser Diode Temperature Controller Board Level OEM from Meerstetter Engineering

メーカー希望小売価格: Request Price

Product Overview:
The TEC-1123 is a RoHS compliant, specialized TEC controller / power supply able to precision-drive two independent Peltier elements. Each channel features a true bipolar DC current source for cooling / heating, two temperature monitoring inputs (1x main, 1x auxiliary) and intelligent PID control with auto tuning.
The TEC-1123 's two independent channels may also be operated in parallel, to either drive two individual or one common load (current doubling). It has an included PC-Software allows configuration, control, monitoring and live diagnosis of the TEC controller via USB and RS485. All parameters are saved to non-volatile memory. Saving can be disabled for bus operation.
The TEC-1123 is fully digitally controlled and its firmware offers numerous communication and safety options. It has an included PC-Software allows configuration, control, monitoring and live diagnosis of the TEC controller via USB and RS485. All parameters are saved to non-volatile memory. Saving can be disabled for bus operation.
The TEC-1123 can handle either Pt100, Pt1000 or NTC temperature probes. For highest precision and stability applications, a Pt100 / 4-wire input configuration is recommended. The analog measurement circuit is factory calibrated.
Further functionality includes smooth temperature ramping, thermal stability indication and auto gain (NTC probes). The PC-Software allows data logging and configuration import/export.

価格 地域 代理店

代理店が登録されていません

この商品を見ている人はこんな商品も見ています