1. TOP
  2. LD/LED
  3. 700 nm - 1399 nm

型番:FL-VS300-9x1-1800-940-Y メーカー:Focuslight Technologies Inc. 商品コード:L003740

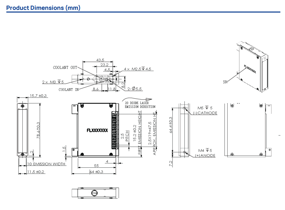
Micro-Channel Water Cooled Vertical Stack (CW): VS300

波長: 935nm-945nm
出力: 200W-1800W
電流: -200A
電圧: -2V

< VS300 >
・2 to 20 bars Design Available
・AuSn Hard Solder Packaging
・Fast-Axis Collimation Available
・Long lifetime
・High power

< Applications >
・Semiconductor Manufacturing Processes
・Pumping
・Industry
・Scientific research

価格 地域 代理店
要問い合わせ 株式会社ハナムラオプティクス
要問い合わせ 京都府 株式会社光響

この商品を見ている人はこんな商品も見ています